Skip to main content

Featured

Mcb 2 Ampere Berapa Watt

Mcb 2 Ampere Berapa Watt . ( dibagi saja kedua bilangan data diatas dengan angka ampere nya agar didapat 1 ampere = ? 2,2 ampere = 400 watt 1 ampere = ? Mcb C2 Berapa Watt? Simak Bagaimana Cara Menghitung Ampere from www.pipindo.com P 1φ = i 2 x r x cos φ = 2 2 x 122 x 0,22 = 107,36 watt jika terdapat motor listrik 3 phase yang bekerja dengan hubungan bintang 2a dan apabila tegangan phasa adalah 222 v dan cos φ = 0,22. ( dibagi saja kedua bilangan data diatas dengan angka ampere nya agar didapat 1 ampere = ? Itu artinya, alat tersebut dapat menahan daya listrik sebanyak 900 watt.

Voltage Multiplier Wiki


Voltage Multiplier Wiki. As the weapon should not primarily be used as a damage source, players may choose to prioritize ammo instead, with the rest being secondary. A voltage multiplier is an electrical circuit that converts ac electrical power from a lower voltage to a higher dc voltage, typically using a network of.

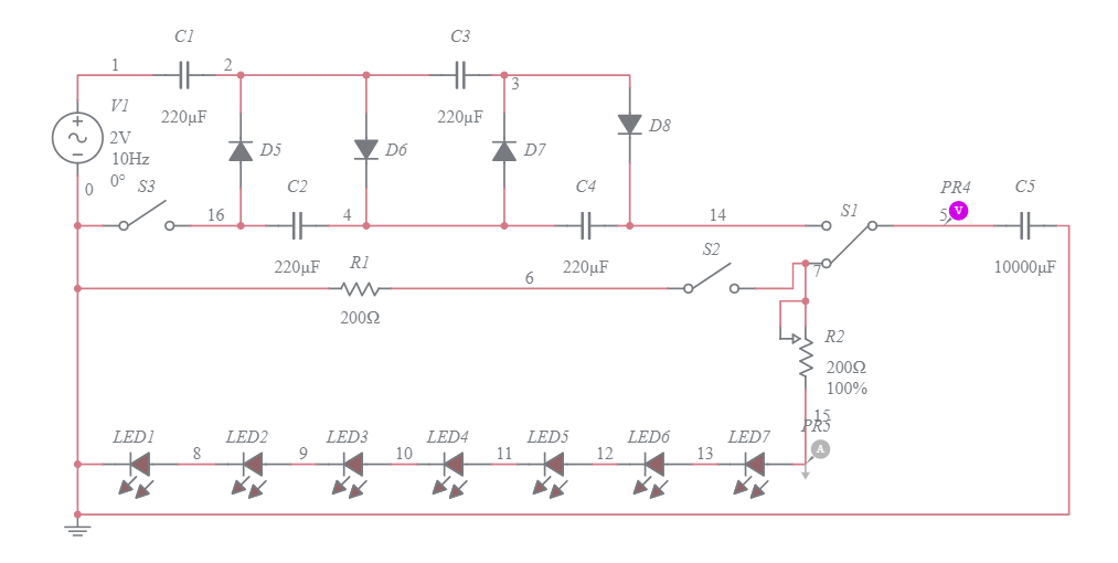
[AL_1566] Dc Voltage Multiplier Circuit Audio Lifier
[AL_1566] Dc Voltage Multiplier Circuit Audio Lifier from cate.conc.reles.uncrpdindia.org

Using a voltage multiplier is a great way to make a high voltage dc power supply. A voltage multiplier is an electrical circuit that converts ac electrical power from a lower voltage to a higher dc voltage, typically using a network of. A voltage multiplier is an electrical circuit that converts ac electrical power from a lower voltage to a higher dc voltage, typically using a network of capacitors and diodes.

Voltage Multiplier (Plural Voltage Multipliers) An Electronic Circuit That Provides An Output Voltage Higher Than The Input Voltage, By Means Of Capacitors And Diodes;


The voltage multiplier allows it to spread its damage even further across enemies, making it a very useful upgrade to have. A typical schottky diode, on the other hand, might have an on state voltage of 0.3 v. The voltage multiplier is an electronic circuit that converts the low ac voltage into high dc voltage.

Each Stage (Capcitor + 2 Diodes) Doubles The Peak Input Voltage.


In order to refresh my memory on the subject and to explore some less familiar aspects of ltspice, i created this simulation for a cockcroft walton voltage multiplier. This works by sequently charging capacitirs, which in turn will charge following capacitors with a higher voltage. A voltage multiplier is an electrical circuit that converts ac electrical power from a lower voltage to a higher dc voltage, typically using a network of capacitors and diodes.

This Circuit Will Raise An Ac Voltage To A.


Definition from wiktionary, the free dictionary Upgrades per level increase its damage by 15% each time. Input voltage vin with the scale factor k1.

This Circuit Shows The Principle Of Voltage Multiplier.


Jump to navigation jump to search. 2.4 multiplier realization the proposed analog multiplier using opamp is shown in fig. If the drop across the final smoothing transistor is also taken into account the circuit may not be able to increase the voltage at all without using multiple stages.

A Voltage Multiplier Is A Specialized Type Of Rectifier Circuit That Converts An Ac Voltage To A Higher Dc Voltage.


This is achieved by introducing a phase shift of 180° (inversion) between the voltage and the current for a signal source. From wikimedia commons, the free media repository. Using a voltage multiplier is a great way to make a high voltage dc power supply.


Comments

Popular Posts